
是一种小型化插装式结构的运算模块。它将输入信号进行数学运算(开方、加减、乘除、比值等)后,转换为隔离的1~5V或4~20mA信号输出。
详细说明
◆SWP20系列双路数学运算模块性能特点:
⊕是一种小型化插装式结构的运算模块。它将输入信号进行数学运算(开方、加减、乘除、比值等)后,转换为隔离的1~5V或4~20mA信号输出。
⊕是一种智能化变送模块,内部采用微处理器进行运算,可对各种非线性输入信号进行精度极高的线性矫正。配用SWP20SH显示模块,可将输入信号所对应的测量值以数字方式方便直观的显示出来。通过SWP20LCD编程器可任意选择开方运算的范围,并可设定小信号切除功能。参数设定值段电后永久性保存。
⊕可选择交直流两种电源,变送输出与主机隔离,具有1~5V或4~20mA DC输出信号的选择功能并配置变送器电源开关。
⊕SWP20数学运算模块还带有一路串行通讯输出,通讯接口可选择。通讯输出与主机隔离。信号的选择功能并配置变送器电源开关。
⊕SWP20DL型配电模块还带有一路串行通讯输出,通讯协议为RS-232、RS-485。通讯输出与主机隔离。
◆技术参数
|
商 标 |
型 号 |
|
SWP- |
202系列 |
|
输入信号 |
模拟量 4~20mA或1~5VDC(用户可选) |
|
输出信号 |
模拟量输出 DC 0~10mA(负载电阻< 750W) DC 4~20mA(负载电阻<500W) DC 0~5V(负载电阻≥250KW) DC 1~5V(负载电阻≥250KW) 开关量输出 继电器控制输出--继电器ON/OFF带回差。AC220V/0.5A;DC24/1A(阻性负载) 通讯输出 接口方式--标准串行双向通信接口:RS-485,RS-232C 输出阻抗小于等于250W(1~5V DC输出时) 允许负载电阻 0~600W(4~20mA DC输出时) |
|
特 性 |
测量精度 ±0.2%FS ±1字或±0.5 %FS ±1 字 分 辨 率 ±1字 测量范围 -1999~9999字 参数设定 由SWP20PCA编程器进行设定 响应时间 约100ms(时间常数) 共模抑制比 50Hz时,大于120dB 隔 离 输入、输出、电源间相互隔离 绝缘电阻 各端子与接地端子之间:100MW/500V DC 绝缘强度 电源端子与接地端子之间:1500V AC,1分钟 输入/输出端子与接地端子间:500V DC,1分钟 输出阻抗 小于等于250W(1~5V DC输出时) 允许负载电阻 0~600W(4~20mA DC输出时) 零点迁移 输入量程的-100%~+100% |
|
数学模型 |
|
|
使用环境 |
环境温度 0~50℃ 相对湿度 5~99%RH(不结露) 避免强腐蚀气体 电 源 交流或直流供电AC:90~265V; DC:24V±10% 功 耗 220V AC时,≤3W ;24V DC时,≤2.5W 结 构 小型化插装式结构,颜色芒塞尔 重 量 主体:约180g;插座:约80g 维 护 在安装配线状态下主体可以更换;SWP20PCA编程器的通讯接口位于主体前 |
|
仪表外形 |
|
|
接 线 图 |
|
|
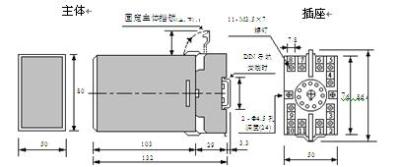
安装形式 |
安装形式:DIN导轨安装或壁装。外形尺寸:(单位:mm)
|
|
安装尺寸 |
使用配线槽时,请将配线槽安装在距离主体上下面 |
★注意:1)外部连接端子为M3.5螺钉。使用非焊接的压接端子连接。
2)在外部应设置电源开关和熔断器。推荐使用0.5A熔断器(使用24V DC电源时用快速熔断型)。
3)仪表内部设有过流保护功能,可防止因内部电源短路致使仪表损坏。
4)不使用第1路输出时,将第1路输出端子短路。(单路变送模块)
5)在有雷电影响的场合,请安装专用避雷器。
◆SWP20系列数学运算智能模块型谱表

★特殊订货时,请提供详细分度号表或相应参数。
★如配用SWP20 编程器,则可自由修改变送器输出量程范围及报警控制值。
★型号举例:
SWP-202SX-B-A1-12/14-11-B-W
双路无开方功能运算器,输入信号4~20mA,第一路输入信号为4~20mADC,第二路输入信号为1~5VDC第一路输出为1~5V,第二路输出为1~5V,两路输出不隔离,DC24V供电。




